一般认为俯冲板片的拖拽力(slab pull)是板块运动的主要驱动力,但洋中脊的推力(ridge push)也有一定的贡献,当二者达到稳态时板块运动的速率基本保持稳定,但板块在运动时速度经常会发生突然变化,其动力学机制仍不清楚。晚白垩世以来印度大陆持续向北漂移,与亚洲大陆在新生代早期发生碰撞,造成了喜马拉雅和青藏高原的隆升。印度板块在向北漂移过程中运动速率发生了多次突变,最显著的两次发生在约70 Ma和约52 Ma,前者漂移速率从约8 cm/yr 增加到 >16 cm/yr,后者从 >15 cm/yr 降低到 <8 cm/yr(图1)。印度板块这两次运动速率突变的动力学背景及其与青藏高原构造演化之间的关系,目前仍存在很大争论。对于约70 Ma的增速,前人提出了德干地幔柱喷发所造成的印度岩石圈去根作用或侧向推力、双向俯冲、沉积岩俯冲润滑等多种模型。而对于约52 Ma的减速,早期许多学者认为其代表了印度大陆与亚洲大陆的初始碰撞,或者由于高原隆升、板片断裂等造成的应力增加。精确限定晚白垩世-古近纪青藏高原的变形时间可以有效区分这些模型,并有助于理解印度与亚洲大陆的碰撞过程。青藏高原东部贡觉盆地长尺度、高分辨率的连续沉积序列及其沉积速率变化为研究上述问题提供了良好的地质记录。

图1 (a)75~40 Ma印度-亚洲汇聚速率(van Hinsbergen et al., 2011)(红线和黑线分别代表沿东、西喜马拉雅构造结的汇聚速率);(b)青藏高原构造地质简图,蓝色多边形指示贡觉盆地位置
沉积盆地是记录造山带构造变形、隆升-剥蚀过程和古气候变化的良好载体。精准限定盆地沉积物的年龄是利用沉积盆地进行构造-气候关系研究的前提。此外,如何有效区分构造和气候变化的沉积学信息,是利用盆地沉积物进行构造变动研究的最大难题。为准确限定青藏高原构造变形的时间及过程,中科院地质与地球物理研究所岩石圈演化国家重点实验室博士后李仕虎(已出站,受英国皇家学会Newton国际奖学金的资助现在英国Lancaster大学进行合作研究)与合作导师邓成龙研究员、朱日祥研究员,以及荷兰Utrecht大学Douwe van Hinsbergen教授、英国Lancaster大学Yani Najman教授、中国地震局地质研究所刘静研究员对贡觉盆地进行了详细的磁性地层学和磁组构研究,主要认识如下:
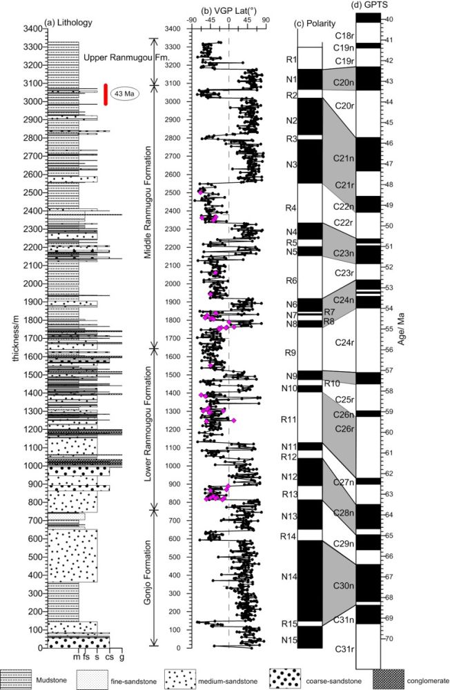
(1) 贡觉盆地构造-沉积特征表现为不对称的向斜,表明其为受逆冲断层控制的同构造沉积盆地。磁性地层学结果显示贡觉盆地沉积序列的年龄为69~41.5 Ma(图2)。
(2) 贡觉盆地经历了两阶段的快速沉积(69~64 Ma和52~48 Ma)和两阶段的慢速沉积(64~52 Ma和48~41 Ma)(图3a)。值得注意的是,贡觉盆地沉积速率的变化特征与羌塘中部可可西里盆地沉积速率的变化基本一致(图3a),显示了区域内相似的构造-沉积动力学背景和构造变形特征。
(3) 贡觉盆地经历了多阶段的旋转过程,其中69~67 Ma发生了约10°的逆时针旋转,52~48 Ma发生了约30°的顺时针旋转(图3c)。这一旋转变化型式与沉积速率的变化近似同期。
(4) 基于贡觉盆地的构造背景及其沉积速率与构造旋转基本同期的特征,他们认为贡觉盆地沉积速率的变化主要受控于构造而非气候,提出青藏高原东部在约70Ma和约52Ma经历了两期快速的地壳缩短变形。这两期构造变形不仅与青藏高原其他地区的变形近同期,而且与印度-亚洲汇聚速率的变化一致(图3d),表明青藏高原的脉冲式变形与印度板块的运动速率相关。
(5) 青藏高原脉冲式变形与印度板块运动速率的耦合性变化表明,在印度板块运动速率变化时,印度与亚洲板块俯冲带的应力增大,暗示德干地幔柱的侧向推力和板片断离分别是印度板块运动约70 Ma增速和约52 Ma减速的最可能原因。此外,目前基于物源证据所提出的印度与亚洲大陆初始碰撞的时间约为60 Ma,而盆地沉积记录显示青藏高原在这一时间并未发生明显构造变形(如沉积速率增加或构造旋转),表明该初始碰撞很可能代表了“软碰撞”或者两期碰撞的早期阶段。

图2 贡觉盆地沉积序列的磁性地层学结果。剖面上部约43 Ma的年龄为贡觉盆地西北部地层中火山灰层的U-Pb(Tang et al., 2017)和40Ar/39Ar(Studnicki-Gizbert et al., 2008)年龄

图3 贡觉盆地(蓝线,Li et al., 2020)和可可西里盆地(红线,Jin et al., 2018)沉积速率(a)、深海氧同位素(b;Zachos et al., 2008)、古地磁偏角(c)和印度-亚洲汇聚速率(d;van Hinsbergen et al., 2011)随时间变化的对应关系
磁组构可以灵敏地记录岩石/沉积物所经历的应力状态变化,是区分构造和气候信号的有效工具。在上述磁性地层年代学研究的基础上,他们进一步对贡觉盆地沉积序列进行了详细的磁组构研究,结果表明贡觉盆地在沉积过程中受到了持续的挤压应力,与盆地构造背景一致。约52Ma时,贡觉盆地的磁组构由“初始变形”组构转变为“铅笔状”组构,即最小磁化率主轴K3由垂直于地层面变为沿挤压方向呈带状分布(图4c), 磁化率椭球体由压扁状(T>0)变为拉长状(T<0)(图4c和图5),指示区域应力显著增加。这一时间与沉积速率的增加和构造旋转一致(图5),支持上述基于磁性地层学结果揭示的贡觉盆地沉积速率的增加主要反映构造变形而非气候变化的结论。此外,磁组构在约60 Ma前后并未发生明显变化,进一步表明该初始碰撞未对青藏高原构造产生显著影响。

图4 贡觉盆地沉积序列在不同阶段磁组构的变化特征,包括磁化率椭球体三轴方向地层校正前后的等面积投影、磁化率-各向异性度(Km-PJ)关系以及各向异性度-形状因子(PJ-T)关系

图5 贡觉盆地沉积序列磁组构参数(b-f)、古地磁偏角(g)、沉积速率(h)随地层厚度(a)和时间(i-j)的变化
研究成果发表于国际权威学术期刊EPSL和GRL。
1. Li S H, van Hinsbergen D J J, Najman Y, Liu-Zeng J, Deng C L, Zhu R X. Does pulsed Tibetan deformation correlate with Indian plate motion changes?[J]. Earth and Planetary Science Letters, 2020, 536: 116144. DOI:10.1016/j.epsl.2020.116144. (原文链接)
2. Li S H, Hinsbergen D J J, Shen Z S, Najman Y, Deng C L, Zhu R X. Anisotropy of magnetic susceptibility (AMS) analysis of the Gonjo Basin as an independent constraint to date Tibetan shortening pulses[J]. Geophysical Research Letters, 47(8): e2020GL087531. DOI: 10.1029/2020GL087531. (原文链接)