
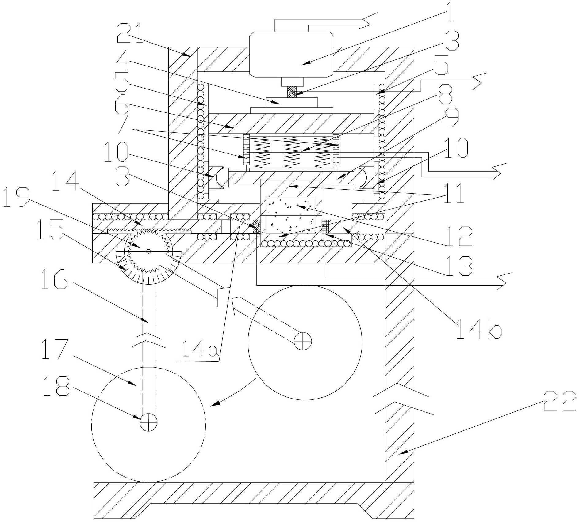
本发明公开了一种岩体结构面冲击剪切仪,其特征在于,包括主框架、法向力加压装置、剪切盒(11)和冲击剪切力施加装置;所述主框架设有水平冲击通道;所述冲击力剪切施加装置包括齿状传动轴(14)和一端连接齿轮盘(19)并另一端连接有重力盘(17)的齿轮柄(16);所述齿状传动轴(14)可移动设于所述水平冲击通道中,所述齿轮盘(19)的由主框架转动支撑,并其齿轮与所述齿状传动轴(14)的齿轮啮合,以便随着重力盘(17)摆动所述齿状传动轴(14)在水平冲击通道内运动而冲击剪切下半盒。该冲击剪切仪的结构设计能够比较方便地实现以不同的速率冲击岩体,从而获得不同的冲击剪切强度。 |